JavaScript pare a fi dezactivat în browser-ul dumneavoastră. Pentru a avea cea mai bună experiență pe site-ul nostru, asigurați-vă că activați Javascript în browser-ul dumneavoastră.
Beautiful and luxurious decor at Affordable price
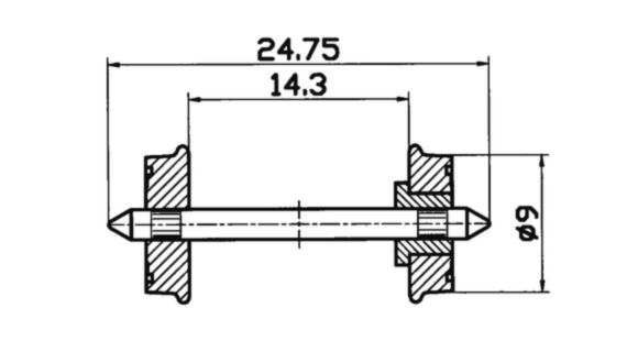
Set 2 osii RP25 (buza bandajului identica cu osiile reale).
9 mm, izolate pe o parte.